CUBIC S94005

CUBIC S94005

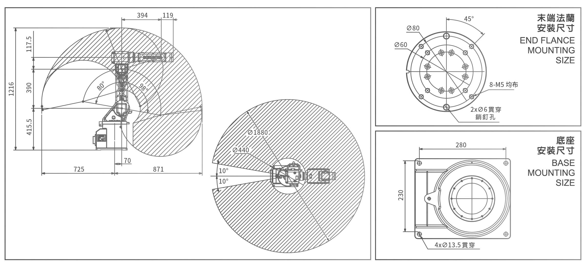
CUBIC S94005型機器人是一款六軸機器人, 整個系統操作簡單、結構緊湊、定位精度高、動態性能好,其5kg的負能力尤其用於注塑、取件、 衝壓、搬運、上下料、裝配等領域,適用於注塑 30T-250T。
防護等級高:IP50,防塵。
精度高:重複定位精度±0.05mm。

CUBIC S94005規格


基本尺寸/活動範圍